文章
  • 文章
搜索

全国咨询热线:

400-076-5556

18611907909

详细内容

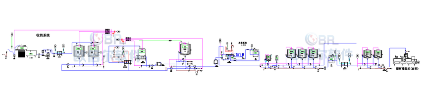
酸奶实训系统

模组包括收奶,储奶,过滤,配料系统,净乳,均质,,脱气,巴氏杀菌,灌装,就地清洗等设备组成。

模组包括收奶,储奶,过滤,配料系统,净乳,均质,,脱气,巴氏杀菌,灌装,就地清洗等设备组成。

系统整体可以选用仪器仪表或者PLC自动控制,根据不同要求设置有不同自动化功能可选。

系统预留有自动阀门拓展功能,可以升级成为自动化形式,实现自动配料,自动标准化,自动杀菌,自动CIP清洗功能。


1761718348565326.png


1761718348578925.png


1761718349902815.png

酸奶发酵模组

1761718349919973.png

酸奶生产工艺流程



电  话:400-076-5556


地  址:山东省德州市齐河县高新技术开发区齐鲁科技小镇孵化器1号楼320

版权所有:山东欧倍尔智能设备有限公司 鲁ICP备2023018703号


微信公众号


官方客服


本站已支持IPv6
seo seo